目录快速下单
登录
收藏夹
0
购物车
0
Pasternack
400 928 5100
产品
60GHz系统和模块
60GHz系统和模块
60GHz天线
60GHz开发系统
60GHz模块
60GHz配件
60GHz系统和模块
倍频器
倍频器
倍频器
倍频器
功率分配器
功率分配器
50欧姆功率分配器
75欧姆功率分配器
合路器
等分功分器
功率分配器
同轴射频终端
同轴射频终端
波导终端
负载终端
馈通负载终端
同轴射频终端
噪声源
噪声源
已校准噪声源
已校准积分隔离器噪声源
放大噪声源
噪声源
天线
天线
GPS天线
便携式天线
全向天线
八木天线
增益喇叭天线
天线架
定向天线
平板天线
移动式天线
天线
射频测试与测量
射频测试与测量
VNA电缆
微波探头
探针电缆/预剥(猪尾)
校准套件及部件
测试引线
精密转接头
通用测试电缆
高精测试电缆
射频测试与测量
射频浪涌/雷电保护器
射频电缆组件
射频电缆组件
VNA电缆
低互调电缆组件
成对时延匹配电缆组件
通用测试电缆
高可靠电缆组件
1.0mm电缆组件
1.6/5.6 75欧姆电缆组件
1.85mm电缆组件
10-32电缆组件
2.4mm电缆组件
2.92mm电缆组件
3.5mm电缆组件
3/4"-20电缆组件
4.1/9.5迷你DIN电缆组件
4.3-10电缆组件
7/16DIN电缆组件
75欧姆BNC电缆组件
75欧姆F型电缆组件
75欧姆N型电缆组件
75欧姆RCA电缆组件
75欧姆SMB电缆组件
75欧姆SMC电缆组件
75欧姆TNC电缆组件
75欧姆迷你SMB电缆组件
BNC双轴电缆组件
BNC电缆组件
C型电缆组件
FAKRA电缆组件
FME电缆组件
GR874电缆组件
HMCX321.2电缆组件
HN电缆组件
LC电缆组件
MC-Card电缆组件
MCX电缆组件
MHV电缆组件
MMBX电缆组件
MMCX电缆组件
MTRJ(FO)电缆组件
NMO架电缆组件
N型电缆组件
QMA电缆组件
QN电缆组件
SC电缆组件
SHV电缆组件
SMA电缆组件
SMB电缆组件
SMC电缆组件
SMP电缆组件
SSMA电缆组件
SSMB电缆组件
SSMC电缆组件
TNC电缆组件
UHF电缆组件
UMCX2.1电缆组件
UMCX2.5电缆组件
UMCX电缆组件
WMCX1.6电缆组件
迷你UHF电缆组件
射频电缆组件
射频转接头
射频转接头
1.0/2.3转接头
1.0mm转接头
1.85mm转接头
10-32转接头
2.4mm转接头
2.92mm转接头
3.5mm转接头
3/4"-20转接头
4.1/9.5 Mini DIN转接头
4.3-10转接头
7/16DIN转接头
7mm转接头
Banana转接头
BMA转接头
BNC双轴转接头
BNC转接头
C型转接头
D-Sub转接头
FME转接头
F型转接头
GR874转接头
HN转接头
LC转接头
MCX转接头
MHV转接头
MMBX转接头
MMCX转接头
N型转接头
PAL转接头
QMA转接头
QN转接头
RCA转接头
SC转接头
SHV转接头
SMA转接头
SMB转接头
SMC转接头
SMP转接头
SSMA转接头
SSMB转接头
TNC转接头
UHF转接头
UMCX转接头
ZMA转接头
迷你SMB转接头
迷你SMP转接头
迷你UHF转接头
射频转接头
数据,直流浪涌保护器
工具
工具
扭力扳手
连接器工具
工具
巴伦
开关
开关
PIN二极管开关
可重复低插入损耗继电器
手动开关
波导机电式继电器开关
继电器
表面贴装开关
配件
高可靠开关
高隔离度USB开关
高隔离开关
开关
振荡器/合成器
振荡器/合成器
压控振荡器
基准振荡器
波导耿式振荡器
温补晶体振荡器
锁相振荡器
锁相晶体振荡器
频率合成器
振荡器/合成器
接地
放大器
放大器
GaN功率放大器
USB放大器
低噪声放大器
低噪声放大器
功率放大器
双向放大器
可变增益放大器
台式放大器
增益模块放大器
宽带放大器
对数放大器
放大器配件
架装放大器
线性放大器
输入保护低噪声放大器
限幅放大器
高功率放大器
高可靠放大器
放大器
教学产品
教学产品
60GHz开发系统
雷达开发系统
教学产品
旋转关节
波导
波导
WR-15
WR-28
WR-34
WR-42
WR-51
WR-62
WR-75
WR-90
WR-102
WR-112
WR-137
WR-159
WR-187
WR-229
WR-284
WR-340
WR-430
波导低噪声放大器
波导变频混频器
波导天线
波导带通滤波器
波导机电式继电器开关
波导检波器
波导环形器
波导移相器
波导穿壁式转接头
波导终端
波导耦合器
波导耿式振荡器
波导衰减器
波导转换器
波导适配器
波导配件
波导隔离器
波导魔T
直波导,弯波导,扭波导
软波导
波导
混频器
混频器
IQ混频器
三平衡混频器
双平衡混频器
波导变频混频器
混频器
滤波器
滤波器
低通射频滤波器
双工器
带通滤波器
波导带通滤波器
调谐滤波器
高通射频滤波器
滤波器
电缆
电缆
100欧姆双同轴电缆
50欧姆同轴电缆
75欧姆同轴电缆
78欧姆双同轴线缆
93欧姆同轴电缆
95欧姆同轴电缆
电缆
移相器/相位微调器
移相器/相位微调器
射频相位微调器
波导移相器
移相器
移相器/相位微调器
耦合器
耦合器
不等分功分器
双向耦合器
定向耦合器
波导耦合器
电桥
耦合器
衰减器/均衡器
衰减器/均衡器
可变衰减器
可编程USB衰减器
可编程衰减器(电压控制式衰减器)
固定式衰减器
正斜率均衡器
步进式衰减器
波导衰减器
电压可变衰减器
直流偏置式衰减器
衰减器/均衡器
连接器
连接器
1.0/2.3连接器
1.85mm连接器
10-32连接器
2.4mm连接器
2.92mm连接器
3.5mm连接器
3/4"-20连接器
4.3-10连接器
7/16DIN连接器
75欧姆1.6/5.6连接器
75欧姆BNC连接器
75欧姆F型连接器
75欧姆MCX连接器
75欧姆N型连接器
75欧姆RCA连接器
75欧姆SMB正极插塞连接器
75欧姆SMB连接器
75欧姆SMC连接器
75欧姆TNC连接器
75欧姆迷你SMB连接器
Banana连接器
BMA连接器
BNC 连接器
BNC双轴连接器
C型连接器
D-Sub连接器
FAKRA连接器
FME连接器
GR874连接器
HN连接器
LC连接器
MC-Card连接器
MCX连接器
MHV连接器
MMBX连接器
MMCX连接器
NMO基座接口
N型连接器
QMA连接器
QN连接器
SC连接器
SHV连接器
SMA 连接器
SMB连接器
SMC连接器
SMP连接器
SSMA连接器
SSMB连接器
SSMC连接器
TNC连接器
UHF连接器
UMCX连接器
VF45(FO)连接器
迷你SMP连接器
迷你UHF连接器
连接器
连接器配件
连接器配件
安装支架
螺钉和螺母
连接器帽
连接器触点和垫片
连接器配件
阻抗变换器
限幅器/检波器
限幅器/检波器
75欧姆检波器
PIN -PIN限幅器
PIN-肖特基限幅器
对数放大器
检波器
波导检波器
限幅器/检波器
高可靠性限幅器
限幅器/检波器
直流阻断器
直流阻断器
T型偏置器
内/外直流阻断器
内直流阻断器
外直流阻断器
直流阻断器
隔离器/环行器
隔离器/环行器
射频环行器
射频隔离器
隔离器/环行器
高可靠性
高可靠性
PIN二极管开关
低噪声放大器
功率放大器
压控振荡器
双向放大器
可变增益放大器
可编程衰减器(电压控制式衰减器)
噪声源
基准振荡器
增益模块放大器
宽带放大器
对数放大器
射频电缆组件
波导机电式继电器开关
混频器
温补晶体振荡器
电压可变衰减器
移相器/相位微调器
继电器
锁相振荡器
锁相晶体振荡器
限幅放大器
频率合成器
高隔离度USB开关
高隔离开关
高可靠性
促销专区
新产品
品牌和资源
英飞畅旗下品牌
工程师的资源中心
射频/微波计算器和转换工具
RF-Opedia® - 射频术语词汇表
技术图表
技术文章
RF博客
结构框图
射频教育与培训课程
新闻发布
购买者的资源中心
BOM上传
购物清单
快速购物车
销售条款
下单流程
发货政策
帮助/常见问题
RMA 表格
公司概况
ISO 9001:2008注册信息
IQNet认证
客户证言
隐私政策
质量政策
射频大学
射频/微波计算器
技术文章
RF-Opedia®
技术图表
顶级行业专家的射频培训:面对面或者在线
实验要点
产品资料
主页
-
射频配件
→
波导配件
→
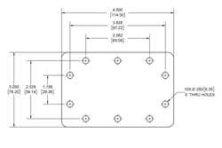
WR-284 波导短路片,CPR-284F 法兰,铝,8mm
波导配件
波导配件
(69)
WR-284 波导短路片,CPR-284F 法兰,铝,8mm
产品编号PEW284SP8
图片:
查看大图
图2
点击这里
PEW284SP8数据
美国
中国
总计
库存数量:
7
Call
7
价格表(未税)
数量
价格(未税)
1-9
¥1,101.53
10-24
¥1,057.47
25-99
¥1,013.41
100-249
¥969.35
250+
Call
加入购物车
数量:
说明
Key Specifications
(Click on Data Sheet Above for Additional Details)
.
Waveguide Size
Flange Designation
Flange Type
Min Freq (GHz)
Max Freq (GHz)
Insertion Loss, Max
VSWR, Max
Input Power (CW)
Material
Aluminum
Body Finish
Anticorrosion grey paint
WR-284 Waveguide Short Plate, CPR-284F Flange, 8mm Aluminum
PEW284SP8 is a fixed WR-284 waveguide short (shorting plate) with operating frequency range from 2.6 GHz to 3.95 GHz. This waveguide short is fabricated with 8 mm thick aluminum by high precision manufacturing process. PEW284SP8 has the same configuration as CPR-284F flange and provides high reflection short circuit for WR-284 waveguide components. Along with Pasternack's waveguide shim products, the waveguide short is ideal for TRL (Thru, Reflect, Line) calibration for RF test instruments. Pasternack offers a wide selection of waveguide components with high performance available in stock and same-day shipping to customers worldwide.
该产品已添加至您的
加购数量已超过促销产品现有中国库存,请修改数量后下单,超出部分如需下单请咨询客服。
点击查看更多工业连接产品
我的购物车
在线咨询
技术咨询
微信公众号
官方微信
样品申请