Pasternack 谐振电路计算器 使用下面的简单公式计算系统的谐振频率。按 CTRL + D 将本页收藏或加入书签。
注:支持SI 前缀。例如:例如:10 nanoFarads = "10n", 15 microHenries = "15u"等。
结果:
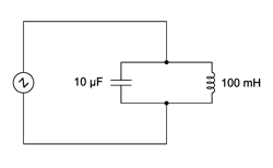
谐振电路是指电感(L)与电容(C)并联的LC 电路。谐振电路因其谐振特性应用广泛,并能在许多电气应用中实现,如滤波器,频率调谐器和振荡器。